佳明机器国内专业生产注塑机的大型企业之一
搜索
确认
取消

邮箱:13510250210@126.com

产品中心
电力施工总承包、高低压成套设备制造

PRODUCTS

产品中心 —

您现在的位置:
首页
/
/
KDK系列油电复合高速注塑机

产品分类

浏览量:
0

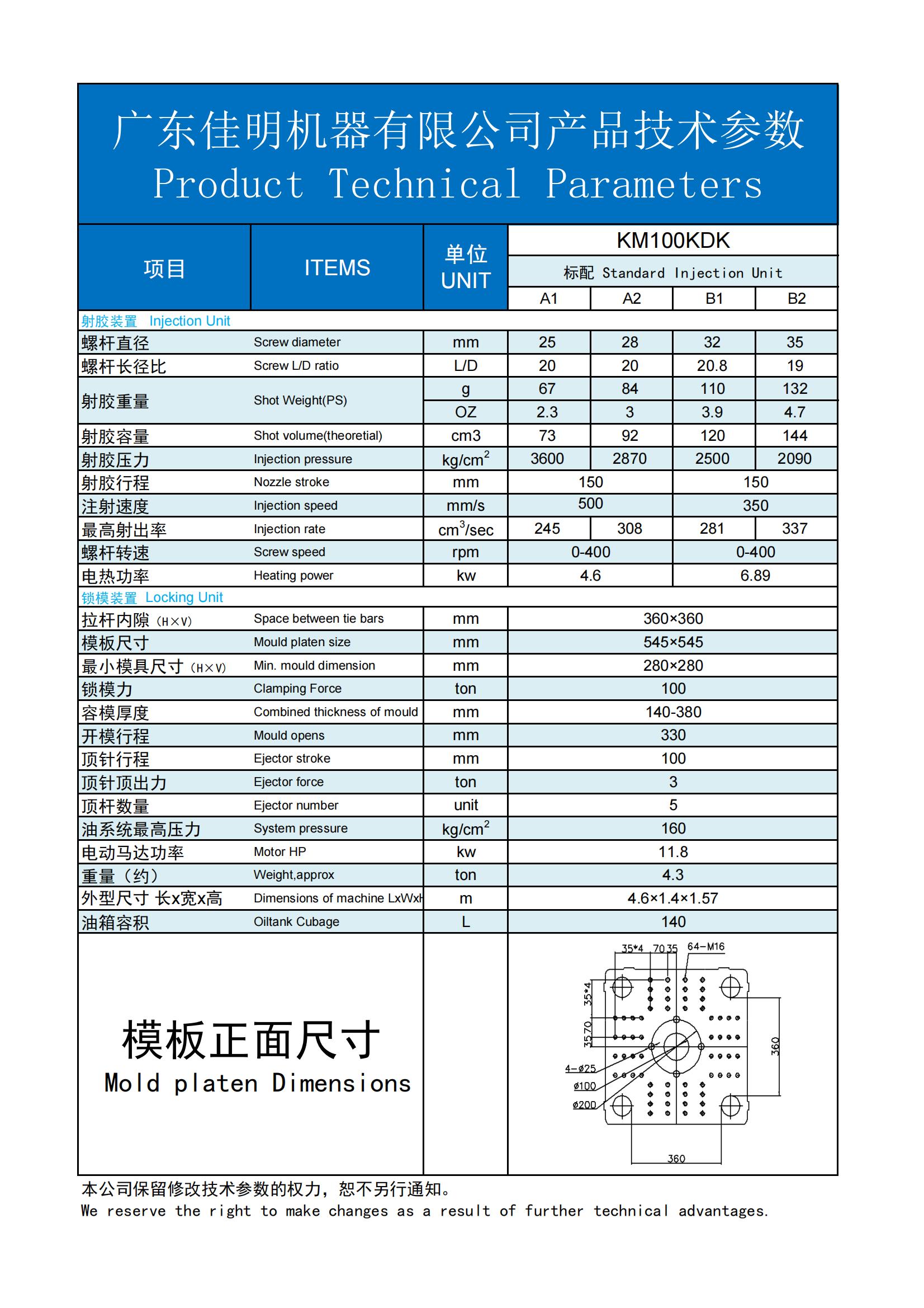
KM100KDK

广东佳明机器有限公司分别位于佛山南海和三水乐平工业区,总占地面积达六十八万平方米,拥有属下员工1200多名。公司秉承以客户至上的理念,经过二十多年的发展,不断创新,不断进步,成功研制出了多项国家专利产品,并获得了数十项国家认证和许可。09年中,现代化园林式的佳明三水新厂,令如今的佳明公司更上一层楼。
咨询热线:13510250210
产品描述
参数
扫二维码用手机看
未找到相应参数组,请于后台属性模板中添加
上一个
下一个

联系我们

 

广东佳明机器有限公司

 

销售电话:13510250210

售后电话:13510250210

公司地址:广东省 佛山市 三水区 乐平镇 三水工业园区